Content:
HOW TO USE ELECTRICAL WIRING DIAGRAM
POSITION OF CONNECTORS AND GROUNDS
WIRING DIAGRAM FOR POWER SUPPLIES
USAGE AND CAPACITY OF FUSES IN FUSE BOX
ELECTRICAL WIRING DIAGRAMS TABLE OF CONTENTS:
1. STARTING & CHARGINE SYSTEM
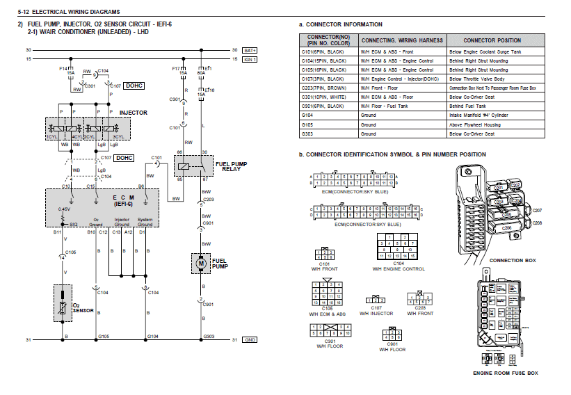
2. ECM (ENGINE CONTROL MODULE) : IEFI-6
3. ECM (ENGINE CONTROL MODULE) : ITMS-6F
4. ECM (ENGINE CONTROL MODULE) : MR-140
5. PCM (POWERTRAIN CONTROL MODULE) APPLICATION (IPCM-6KT)
6. TCM (TRANSMISSION CONTROL MODULE)
7. AIR CONDITIONER
8. RADIATOR COOLING FAN
9. HEAD LAMP CIRCUIT
10. PARKING LAMP
11. FOG LAMP CIRCUIT
12. TURN SIGNAL LAMP, HAZARD LAMP CIRCUIT
13. STOP LAMP CIRCUIT
14. CIGARETTE LIGHTER
15. TRUNK LAMP, ROOM LAMP, DOOR OPENING WARNING LAMP CIRCUIT
16. REVERSE LAMP CIRCUIT
17. HORN CIRCUIT
18. CHIME BELL, CLOCK CIRCUIT
19. WIPER CIRCUIT
20. REAR WINDOW DEFROSTER CIRCUIT
21. POWER WINDOW CIRCUIT
22. ELECTRIC OSRV (OUTSIDE REAR VIEW) MIRROR CIRCUIT
23. CENTRAL DOOR LOCKING CIRCUIT
24. AUDIO, AUTO ANTENNA CIRCUIT
25. CLUSTER
26. ABS (ANTILOCK BRAKE SYSTEM) CIRCUIT
27. AIR BAG (SDM : SENSING & DIAGNOSTIC MODULE)
28. IMMOBILIZER SYSTEM
29. ANTI-THEFT CIRCUIT
30. SUN ROOF CIRCUIT
COMO RECEBO MEU MANUAL
ANTES DE ADQUIRIR QUALQUER UM DOS CONTEÚDOS NESTE SITE, CERTIFIQUE-SE DE LER ATENTAMENTE O ÍNDICE PARA QUE SEJA ADEQUADO À SUA NECESSIDADE!
CONHEÇA TAMBÉM NOSSAS POLÍTICAS E TERMOS DE USO.
Após efetuar o pagamento, um e-mail com os links para baixar o manual, que será enviado automaticamente. Caso não visualize, verifique sua caixa “SPAM”.
Também é possível solicitar o evio via Whatsapp (11) 99966-5104. Basta nos adicionar e informar seu email!
Dependendo do tamanho do arquivo, estará disposto diretamente no formato “PDF” ou “ZIP” para arquivos muito extensos ou com diversas pastas. Neste caso, é necessário descompacta-los para o uso. Lembramos também que o DESCOMPACTADOR do Windows NÃO FUNCIONA adequadamente para PDF com muitas páginas! Use o “WINZIP” ou “7-ZIP“.
Caso precise de ajuda ou se tiver algum problema, podemos enviar o manual via Whatsapp. Basta entrar em contato: (11) 99966-5104

Você pode escolher baixar direto do nosso servidor ou via Google Drive, como indicado na imagem acima. Certifique-se de salvar o arquivo.
BAIXANDO VIA GOOGLE DRIVE (FORMATO PDF)
Arquivos no formato PDF poderão ser visualizados diretamente pelo navegador, porém, recomendamos salvar o manual para visualização off line.

BAIXANDO VIA GOOGLE DRIVE (FORMATO ZIP)
Ao clicar no link, você verá esta tela

Clique em um dos dois botões como ilustrado na imagem abaixo:

Na nova janela que se abriu, clique no botão “FAZER DOWNLOAD ASSIM MESMO”

Agora basta escolher o local onde você irá salvar o arquivo.

Os manuais compactados em formato “ZIP” devem ser descompactados antes do uso.
BAIXANDO PELO NOSSO SERVIDOR
Uma janela será aberta para indicar o local para salvar o manual. Escolha o local e clique em salvar.

Apenas clientes conectados que compraram este produto podem deixar uma avaliação.
Avaliações
Não há avaliações ainda.