0
Seu carrinho
0
Seu carrinho

CONTENT:

  • ACCELERATOR CONTROL SYSTEM
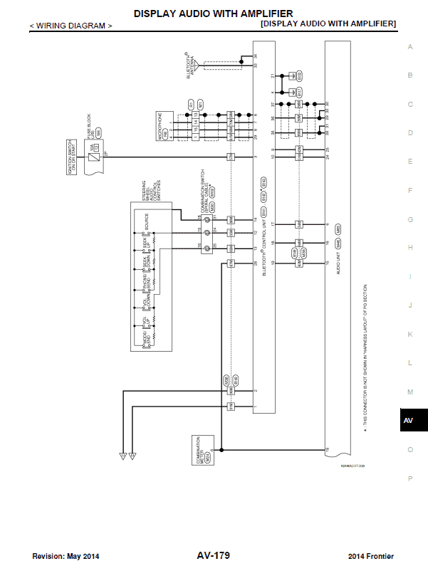
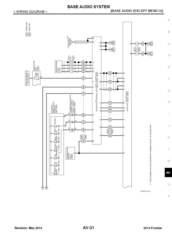
  • AUDIO, VISUAL & NAVIGATION SYSTEM
  • BODY CONTROL SYSTEM
  • BRAKE SYSTEM
  • BRAKE CONTROL SYSTEM
  • BODY REPAIR
  • CHARGING SYSTEM
  • CLUTCH
  • ENGINE COOLING SYSTEM
  • DEFOGGER
  • DOOR & LOCK
  • DRIVELINE
  • ENGINE CONTROL SYSTEM
  • ENGINE MECHANICAL
  • EXTERIOR LIGHTING SYSTEM
  • FRONT AXLE
  • FUEL SYSTEM
  • FRONT SUSPENSION
  • GENERAL INFORMATION
  • ENGINE
  • TRANSMISSION & DRIVELINE
  • SUSPENSION
  • BRAKES
  • STEERING
  • RESTRAINTS
  • VENTILATION, HEATER & AIR CONDITIONER
  • BODY INTERIOR
  • BODY EXTERIOR, DOORS, ROOF & VEHICLE SECURITY
  • DRIVER CONTROLS
  • ELECTRICAL & POWER CONTROL
  • DRIVER INFORMATION & MULTIMEDIA
  • CRUISE CONTROL
  • MAINTENANCE

COMO RECEBO MEU MANUAL

ANTES DE ADQUIRIR QUALQUER UM DOS CONTEÚDOS NESTE SITE, CERTIFIQUE-SE DE LER ATENTAMENTE O ÍNDICE PARA QUE SEJA ADEQUADO À SUA NECESSIDADE!

CONHEÇA TAMBÉM NOSSAS POLÍTICAS E TERMOS DE USO.

   Após efetuar o pagamento, um e-mail com os links para baixar o manual, que será enviado automaticamente. Caso não visualize, verifique sua caixa “SPAM”.

   Também é possível solicitar o evio via Whatsapp (11) 99966-5104. Basta nos adicionar e informar seu email!

Dependendo do tamanho do arquivo, estará disposto diretamente no formato “PDF” ou “ZIP” para arquivos muito extensos ou com diversas pastas. Neste caso, é necessário descompacta-los para o uso. Lembramos também que o DESCOMPACTADOR do Windows NÃO FUNCIONA adequadamente para PDF com muitas páginas! Use o “WINZIP” ou “7-ZIP“.

Caso precise de ajuda ou se tiver algum problema, podemos enviar o manual via Whatsapp. Basta entrar em contato: (11) 99966-5104

Você pode escolher baixar direto do nosso servidor ou via Google Drive, como indicado na imagem acima. Certifique-se de salvar o arquivo.

BAIXANDO VIA GOOGLE DRIVE (FORMATO PDF)

Arquivos no formato PDF poderão ser visualizados diretamente pelo navegador, porém, recomendamos salvar o manual para visualização off line.

BAIXANDO VIA GOOGLE DRIVE (FORMATO ZIP)

Ao clicar no link, você verá esta tela

Clique em um dos dois botões como ilustrado na imagem abaixo:

Na nova janela que se abriu, clique no botão “FAZER DOWNLOAD ASSIM MESMO” 

Agora basta escolher o local onde você irá salvar o arquivo.

Os manuais compactados em formato “ZIP” devem ser descompactados antes do uso.

BAIXANDO PELO NOSSO SERVIDOR

Uma janela será aberta para indicar o local para salvar o manual. Escolha o local e clique em salvar.

Avaliações

Não há avaliações ainda.

Apenas clientes conectados que compraram este produto podem deixar uma avaliação.

Este site utiliza cookies para que você tenha a melhor experiência neste site. Se estiver navegando está dando seu consentimento para a aceitação dos cookies mencionados e a aceitação de nossa política de cookies, Clique no link para maiores informações.política de uso

ACEPTAR
Aviso de cookies
Translate »