CONTENT:
- DIMENSIONS
- SPECIFICATIONS
- VEHICLE IDENTIFICATION
- MAINTENANCE INTERVAL
- RECOMMENDED FLUIDS AND LUBRICANTS
- JACK-UP POINTS
- PIN ARRANGEMENT OF DIAGNOSTIC CONNECTOR
- ELECTRIC COMPONENTS AND LAYOUT
- STANDARD BOLTS SPECIFICATIONS
GENERAL INFORMATION
HOW TO READ ELECTRICAL WIRING DIAGRAM
LAYOUT OF ELECTRICAL SYSTEM
POWER DISTRIBUTION FUSE/RELAY
ENGINE ROOM FUSE / RELAY BOX
LH FUSE / RELAY BOX
RH FUSE / RELAY BOX
ELECTRICITY DIVIDE
ENGINE ROOM FUSE / RELAY BOX CIRCUIT
LH FUSE / RELAY BOX CIRCUIT
RH FUSE / RELAY BOX CIRCUIT
ICM RELAY BOX CIRCUIT
WIRING HARNESS
WIRING HARNESS, COMPONENTS LOCATION
ENGINE
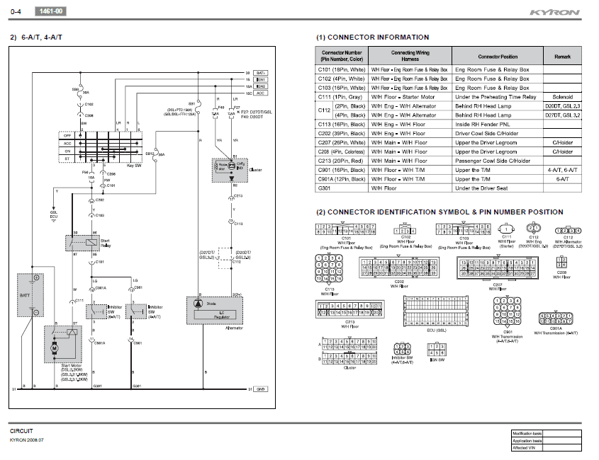
STARTING / CHARGING
PREHEATING CIRCUIT
ECU (ENGINE CONTROL UNIT – D20/D27DT EU-IV)
ECU (ENGINE CONTROL UNIT – D20/D27DT)
ECU (ENGINE CONTROL UNIT – GSL G32)
ECU (ENGINE CONTROL UNIT – GSL G23)
DIAGNOSIS CIRCUIT
CHASSIS
TCU (6-A/T)
TCU (5-A/T)
TCU (4-A/T)
A/T SHIFT LOCK (4-A/T)
TCCU
EAS
EPB
ABS/ESP (TPMS)
S.S.P.S (SPEED SENSITIVE POWER STEERING)
ELECTRIC
INTERIOR LAMP CIRCUIT
AUTO DIMMING ROOM
MIRROR CIRCUIT
AUDIO / CLOCK CIRCUIT
A/V SYSTEM
PARKING AID CIRCUIT
PTC HEATER (POSITIVE TEMPERATURE COEFFICIENT)
FFH (FUEL FIRED HEATER)
FATC (FULL AUTO TEMP. CONTROL) CIRCUIT
AIR-CON (MANUAL) CIRCUIT
AIR-BAG (CURTAIN AIR-BAG)
CLUSTER
POWER SEAT – DRIVER (W/ MEMORY)
POWER SEAT – DRIVER (W/O MEMORY)
POWER SEAT – PASSENGER
ELECTRIC OUTSIDE MIRROR (W/O MEMORY)
FRT SEAT WARMER
RR SEAT WARMER
STICS
RR WIPER CIRCUIT
POWER WINDOW CIRCUIT
HORN
CIGAR LIGHTER / POWER OUTLET CIRCUIT
SUN ROOF CIRCUIT
HEAD LAMP / DRL (DAY TIME RUNNING LIGHT) UNIT CIRCUIT
HLLD (HEAD LAMP LEVEL G DEVICE) CIRCUIT
TAIL LAMP CIRCUIT
TURN SIGNAL / HAZARD LAMP CIRCUIT
TRAILER LAMP CIRCUIT
FOG LAMP CIRCUIT
STOP / BACK-UP LAMP CIRCUIT
INTERIOR LAMP CIRCUIT
AUTO DIMMING ROOM MIRROR CIRCUIT
AUDIO / CLOCK CIRCUIT
A/V SYSTEM
PARKING AID CIRCUIT
PTC HEATER (POSITIVE TEMPERATURE COEFFICIENT)
FFH (FUEL FIRED HEATER)
FATC (FULL AUTO TEMP. CONTROL) CIRCUIT
AIR-CON (MANUAL) CIRCUIT
- AIR CONDITIONER
- AIR BAG SYSTEMS
- SEAT
- SUNROOF SYSTEM
- BODY REPAIR
- ECU-GASOLINE
- ECU-DIESEL
- BRAKE
- CCCS
- FATC
- FFH
- RAIN SENSOR
- STICS
- TCU
- TGS LEVER
- ENGINE GENERAL
- ENGINE ASSEMBLY
- ENGINE FUEL
- ENGINE INTAKE
- ENGINE EXHAUST
- LUBRIFICANTION
- COOLING SYSTEM
- ENGINE ELECTRICAL
- EGINE CONTROL
- CRUISE CONTROL
- CDPF
- ECU





















Avaliações
Não há avaliações ainda.