0
Seu carrinho
0
Seu carrinho

CONTENT:

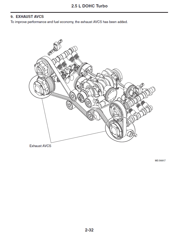
  • New Car Information
  • General Information Section
  • Body Section
  • Body Section (Book 2)
  • Chassis Section
  • Engine Section (H4DOTC)
  • Engine Section (H4SO)
  • Engine Section (H6DO)
  • Oil level switch
  • Transmission Section
  • Wiring System Section

COMO RECEBO MEU MANUAL

ANTES DE ADQUIRIR QUALQUER UM DOS CONTEÚDOS NESTE SITE, CERTIFIQUE-SE DE LER ATENTAMENTE O ÍNDICE PARA QUE SEJA ADEQUADO À SUA NECESSIDADE!

CONHEÇA TAMBÉM NOSSAS POLÍTICAS E TERMOS DE USO.

   Após efetuar o pagamento, um e-mail com os links para baixar o manual, que será enviado automaticamente. Caso não visualize, verifique sua caixa “SPAM”.

   Também é possível solicitar o evio via Whatsapp (11) 99966-5104. Basta nos adicionar e informar seu email!

Dependendo do tamanho do arquivo, estará disposto diretamente no formato “PDF” ou “ZIP” para arquivos muito extensos ou com diversas pastas. Neste caso, é necessário descompacta-los para o uso. Lembramos também que o DESCOMPACTADOR do Windows NÃO FUNCIONA adequadamente para PDF com muitas páginas! Use o “WINZIP” ou “7-ZIP“.

Caso precise de ajuda ou se tiver algum problema, podemos enviar o manual via Whatsapp. Basta entrar em contato: (11) 99966-5104

Você pode escolher baixar direto do nosso servidor ou via Google Drive, como indicado na imagem acima. Certifique-se de salvar o arquivo.

BAIXANDO VIA GOOGLE DRIVE (FORMATO PDF)

Arquivos no formato PDF poderão ser visualizados diretamente pelo navegador, porém, recomendamos salvar o manual para visualização off line.

BAIXANDO VIA GOOGLE DRIVE (FORMATO ZIP)

Ao clicar no link, você verá esta tela

Clique em um dos dois botões como ilustrado na imagem abaixo:

Na nova janela que se abriu, clique no botão “FAZER DOWNLOAD ASSIM MESMO” 

Agora basta escolher o local onde você irá salvar o arquivo.

Os manuais compactados em formato “ZIP” devem ser descompactados antes do uso.

BAIXANDO PELO NOSSO SERVIDOR

Uma janela será aberta para indicar o local para salvar o manual. Escolha o local e clique em salvar.

Avaliações

Não há avaliações ainda.

Apenas clientes conectados que compraram este produto podem deixar uma avaliação.

Este site utiliza cookies para que você tenha a melhor experiência neste site. Se estiver navegando está dando seu consentimento para a aceitação dos cookies mencionados e a aceitação de nossa política de cookies, Clique no link para maiores informações.política de uso

ACEPTAR
Aviso de cookies
Translate »